Все товары  /  Сантехника  /  Инженерная сантехника  /  Приборы учета

Манометр сигнализирующий радиальный Манотомь ДМ2010Сг, IV группа исполнения

Код товара: 237989
В кредит от 253 руб. в мес.
Статус: В наличии
Доставка по Москве: 600р.
Доставка в любую ТК: 600р.
Основные характеристики
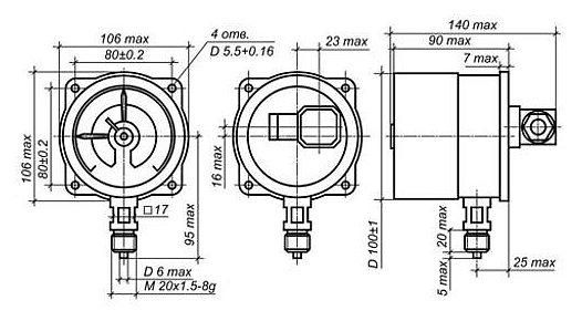
Тип манометр
Ширина 100 мм
Глубина 100 мм
Вес (без упаковки) 0.916 кг
Страна-производитель Россия
Описание

Манометр сигнализирующий радиальный Манотомь ДМ2010Сг предназначен для измерения избыточного давления неагрессивных некристаллизующихся жидкостей, газов и паров и управления внешними электрическими цепями от сигнализирующего устройства прямого действия. Применяются на автоклавах, котлах, насосах. Корпус прибора выполнен из стали.

Особенности:

  • Отображение текущих параметров системы и управление технологическим процессом
  • При повышения давления за рамки значений, манометр посылает сигнал оповещателю по внешней сети, система прекращает работу  
  • IV группа исполнения
  • Соответствует требованиям защиты от проникновения пыли и влаги IP40, 53, 54, 65
  • Подключение внешних цепей приборов согласно ГОСТ 2405-88 исполнение 4-два замыкающих контакта

Дополнительные характеристики:

  • Диаметр корпуса: 100 мм
  • Диапазон измерения: 0-1,0 МПа
  • Класс точности: 1,5
  • Степень защиты корпуса: IP 53
  • Присоединительный размер: М20х1,5
  • Ток нагрузки: не более – 1,0 А
  • Напряжение питания: не более – 380 В переменного и 220 В постоянного тока В
Внимание! Информация о товарах, размещенная на сайте, не является публичной офертой, определяемой положениями Части 2 Статьи 437 Гражданского кодекса Российской Федерации. Производители вправе вносить изменения в технические характеристики, внешний вид и комплектацию товаров без предварительного уведомления. Уточняйте характеристики у наших менеджеров перед оформлением заказа.
Надежда, отдел продаж
Надежда
Отдел продаж
15-16 сентября 2020 в рамках V РЭФ и
I ШЭФ прошла презентация
UNOX EVEREO с нашим участием
ENTERO - I Ресторанной маркетинг-конференции
ENTERO - официальный партнёр
I Ресторанной маркетинг-конференции
ENTERO - I Ресторанной маркетинг-конференции
ENTERO - официальный партнёр IV Ресторанного экономического форума
ENTERO - официальный партнёр IV Ресторанного экономического форума
Мы на передаче Дачный ответ,
эфир от 27.01.2019
ENTERO на передаче Дачный ответ, эфир от 27.01.2019
Магазин ENTERO - спонсор проекта Дачный ответ
ENTERO на передаче Дачный ответ, эфир от 15.02.2015
Магазин ENTERO на ТВ в программе Дачный ответ
ENTERO на передаче Дачный ответ, эфир от 19.10.2014
Магазин ENTERO на ТВ в программе Квартирный вопрос
ENTERO на передаче Квартирный вопрос, эфир от 20.11.2010
Распределение заказов, отправленных нами через ТК:
Деловые линии - 58.3%
Санкт-Петербург, Екатеринбург, Сочи, ...
ПЭК - 20.3%
Санкт-Петербург, Сочи, Екатеринбург, ...
КИТ - 3.3%
Астана, Атырау, Феодосия, ...
Желдорэкспедиция - 1.2%
Якутск, Владивосток, Находка, ...
Байкал-Сервис - 1.2%
Пятигорск, Санкт-Петербург, Анапа, ...
За прошедшие 5 дней отправлены заказы в города:
Азов, Барнаул, Владикавказ, Воронеж, Иркутск, Красноярск, Липецк, Мурманск, Нижний Новгород, Нижний Тагил, Новороссийск, Орел, Санкт-Петербург, Севастополь, Смоленск, Якутск
Москва ул. Новгородская, д. 1
Звоните в будни с 9:00 до 19:00,
в субботу с 10:00 до 18:00.