Мы на связи в мессенджерах
Все товары  /  Сантехника  /  Мебель для ванной комнаты  /  Тумбы под раковину

Столешница Aquanet Nova Lite 90 серая

Код товара: 174547
Статус: Нет в наличии
Данная товарная позиция отсутствует на складе. Мы подберем вам товар с такими же характеристиками.

Доставка по Москве: 600р.
Доставка в любую ТК: 600р.
Описание

Столешница Aquanet Nova Lite 90 предназначена для установки сверху на тумбу. В модели предусмотрены отверстия для накладной раковины и вывода шлангов подводки воды. Изделие выполнено из керамогранита, который отличается повышенной устойчивостью к влаге и агрессивным веществам.

Столешница используется с тумбами Nova Lite 90.

Характеристики:

  • Материал: керамогранит
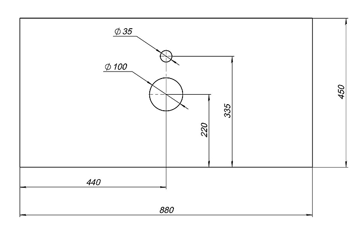
  • Размеры: 880х450х10 мм
  • Диаметр отверстия для раковины: 100 мм
  • Диаметр отверстия для шлангов: 35 мм
  • Вес в упаковке: 8 кг
  • Цвет: серый
Внимание! Информация о товарах, размещенная на сайте, не является публичной офертой, определяемой положениями Части 2 Статьи 437 Гражданского кодекса Российской Федерации. Производители вправе вносить изменения в технические характеристики, внешний вид и комплектацию товаров без предварительного уведомления. Уточняйте характеристики у наших менеджеров перед оформлением заказа.
Совместимость
Тумба под раковину Aquanet Nova Lite 90 см 1 ящик, дуб рошелье
Нет в наличии
подвесной; ЛДСП; 1; Без раковины; тёмное дерево
23 973 р.
Тумба под раковину Aquanet Nova Lite 90 см 1 ящик, дуб рустикальный
Нет в наличии
подвесной; ЛДСП; 1; Без раковины; светлое дерево
23 973 р.
Тумба под раковину Aquanet Nova Lite 90 см 2 ящика, дуб рошелье
Нет в наличии
подвесной; ЛДСП; 2; Без раковины; тёмное дерево
25 175 р.
Тумба под раковину Aquanet Nova Lite 90 см 2 ящика, дуб рустикальный
Нет в наличии
подвесной; ЛДСП; 2; Без раковины; светлое дерево
25 175 р.
Тумба под раковину Aquanet Nova Lite 90 см 1 ящик, белая
Нет в наличии
подвесной; ЛДСП; 1; Без раковины; белый
28 451 р.
Тумба под раковину Aquanet Nova Lite 90 см 2 ящика, белая
Нет в наличии
подвесной; ЛДСП; 2; Без раковины; белый
29 876 р.
Торговая марка Aquanet

Производственно-торговая группа Aquanet уже на протяжении 20 лет является одним из лидеров рынка сантехники. Современный подход к производству, новейшие европейские технологии и уникальные собственные разработки - главные особенности компании, позволяющие ей оставаться конкурентноспособной на протяжении столь долгого времени и занимать прочное место на современном рынке.

Сергей, отдел продаж
Сергей
Отдел продаж
15-16 сентября 2020 в рамках V РЭФ и
I ШЭФ прошла презентация
UNOX EVEREO с нашим участием
ENTERO - I Ресторанной маркетинг-конференции
ENTERO - официальный партнёр
I Ресторанной маркетинг-конференции
ENTERO - I Ресторанной маркетинг-конференции
ENTERO - официальный партнёр IV Ресторанного экономического форума
ENTERO - официальный партнёр IV Ресторанного экономического форума
Мы на передаче Дачный ответ,
эфир от 27.01.2019
ENTERO на передаче Дачный ответ, эфир от 27.01.2019
Магазин ENTERO - спонсор проекта Дачный ответ
ENTERO на передаче Дачный ответ, эфир от 15.02.2015
Магазин ENTERO на ТВ в программе Дачный ответ
ENTERO на передаче Дачный ответ, эфир от 19.10.2014
Магазин ENTERO на ТВ в программе Квартирный вопрос
ENTERO на передаче Квартирный вопрос, эфир от 20.11.2010
Распределение заказов, отправленных нами через ТК:
Деловые линии - 58.3%
Санкт-Петербург, Екатеринбург, Сочи, ...
ПЭК - 20.3%
Санкт-Петербург, Сочи, Екатеринбург, ...
КИТ - 3.3%
Астана, Атырау, Феодосия, ...
Желдорэкспедиция - 1.2%
Якутск, Владивосток, Находка, ...
Байкал-Сервис - 1.2%
Пятигорск, Санкт-Петербург, Анапа, ...
За прошедшие 5 дней отправлены заказы в города:
Алматы, Белгород, Всеволожск, Екатеринбург, Казань, Каспийск, Кировск, Краснодар, Нижневартовск, Рязань, Санкт-Петербург, Смоленск, Тольятти, Чебоксары, Челябинск, Ярославль
Москва ул. Новгородская, д. 1
Звоните в будни с 9:00 до 19:00,
в субботу с 10:00 до 18:00.