Мы на связи в мессенджерах
Все товары  /  Сантехника  /  Слив и канализация  /  Сливы-переливы

Слив-перелив Geberit 150.520.21.1

Код товара: 163953
Статус: Нет в наличии
Данная товарная позиция отсутствует на складе. Мы подберем вам товар с такими же характеристиками.

Доставка по Москве: 600р.
Доставка в любую ТК: 600р.
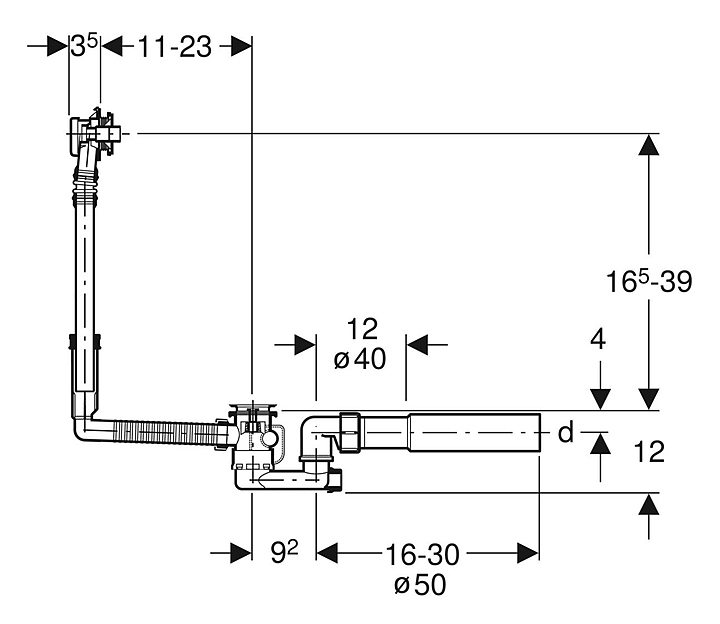
Основные характеристики
Тип полуавтоматический
Назначение для ванны
Материал пластик
Гидрозатвор
Цвет хром
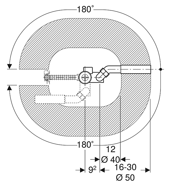
Диаметр слива 52 мм
Форма внешней части круглая
Высота от 165 до 390 мм
Страна-производитель Швейцария
Родина бренда Швейцария
Описание

Слив-перелив Geberit 150.520.21.1 предназначен для установки с ваннами. 

Комплектация:

  • Финишный комплект
  • Донный клапан
  • Сифон
  • Соединительное колено из ПНД, ø 40/50 мм
  • Защитная крышка
  • Крепеж

Особенности:

  • Двусторонние уплотнения на сливе и переливе
  • Головка перелива может крепиться в определенном направлении

Дополнительные характеристики:

  • Пропускная способность слива: 48 л/мин.
  • Пропускная способность перелива: 36 л/мин.
  • Высота гидрозатвора: 50 мм
  • Цвет: глянцевый хром
Внимание! Информация о товарах, размещенная на сайте, не является публичной офертой, определяемой положениями Части 2 Статьи 437 Гражданского кодекса Российской Федерации. Производители вправе вносить изменения в технические характеристики, внешний вид и комплектацию товаров без предварительного уведомления. Уточняйте характеристики у наших менеджеров перед оформлением заказа.
Торговая марка Geberit

Группа компаний Geberit, продукция которой широко представлена на территории большинства стран мира, является общепризнанным лидером европейского рынка сантехники и керамических изделий для ванной комнаты. С момента своего основания в 1874 году компания занимается постоянным совершенствованием выпускаемой продукции с целью удовлетворения потребностей самых требовательных клиентов. Стиль, уникальный дизайн и высокое качество - вот основные характеристики продукции, производимой под маркой Geberit.

Сергей, отдел продаж
Сергей
Отдел продаж
15-16 сентября 2020 в рамках V РЭФ и
I ШЭФ прошла презентация
UNOX EVEREO с нашим участием
ENTERO - I Ресторанной маркетинг-конференции
ENTERO - официальный партнёр
I Ресторанной маркетинг-конференции
ENTERO - I Ресторанной маркетинг-конференции
ENTERO - официальный партнёр IV Ресторанного экономического форума
ENTERO - официальный партнёр IV Ресторанного экономического форума
Мы на передаче Дачный ответ,
эфир от 27.01.2019
ENTERO на передаче Дачный ответ, эфир от 27.01.2019
Магазин ENTERO - спонсор проекта Дачный ответ
ENTERO на передаче Дачный ответ, эфир от 15.02.2015
Магазин ENTERO на ТВ в программе Дачный ответ
ENTERO на передаче Дачный ответ, эфир от 19.10.2014
Магазин ENTERO на ТВ в программе Квартирный вопрос
ENTERO на передаче Квартирный вопрос, эфир от 20.11.2010
Распределение заказов, отправленных нами через ТК:
Деловые линии - 58.3%
Санкт-Петербург, Екатеринбург, Сочи, ...
ПЭК - 20.3%
Санкт-Петербург, Сочи, Екатеринбург, ...
КИТ - 3.3%
Астана, Атырау, Феодосия, ...
Желдорэкспедиция - 1.2%
Якутск, Владивосток, Находка, ...
Байкал-Сервис - 1.2%
Пятигорск, Санкт-Петербург, Анапа, ...
За прошедшие 5 дней отправлены заказы в города:
Алматы, Белгород, Всеволожск, Екатеринбург, Казань, Каспийск, Кировск, Краснодар, Нижневартовск, Рязань, Санкт-Петербург, Смоленск, Тольятти, Чебоксары, Челябинск, Ярославль
Москва ул. Новгородская, д. 1
Звоните в будни с 9:00 до 19:00,
в субботу с 10:00 до 18:00.